Innovation is at the heart of what we do. This is where you'll find the latest updates on our products, from new releases and feature enhancements to practical guides that help you get the most value from our technology. Explore how our solutions are evolving to meet your needs
-
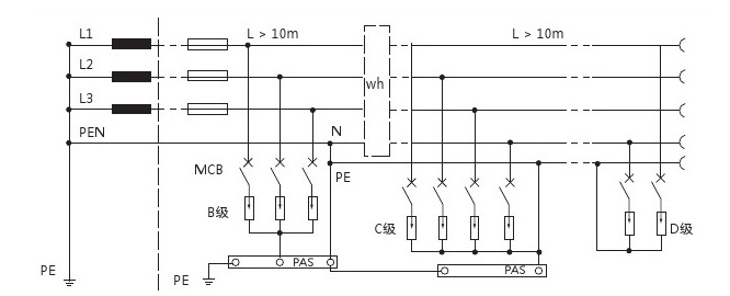
Problems of electrical coordination between SPD and surge backup protector2021-12-28
-
-
-
-
-
Explore professional surge protection for photovoltaic systems: Learn about lightning risks to solar installations, SPD selection and installation. THOR provides DC/AC protection, including Type 1+2 solutions for 1500V systems.2021-08-18
-
-
Our RJ45 surge protection device delivers high quality and reliable performance to protect your network from transient overvoltages. Free samples available, with shipping within one week.2021-08-02
-
-
-